| |
| |
| |
| LOOP POWERED ISOLATOR ---------------------------------------------------------------------------LP1SI |
| |
| |
 |
4~20 mA in, 4~20 mA out
Isolation between input and output :
1.5 KV AC RMS / 1 minute,
250 V AC RMS continuous
0.1% transfer accuracy
3.7 V loop drop
25~425 Ω load
DIN rail mounting
No power supply required
ON LED shows state |
 |
|
| |
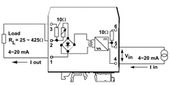
| LP1SI is a loop powered isolator suitable for a variety of applications. It can be used, for example, to isolate the 4~20mA current signal from a 2-wire thermocouple transmitter or temperature controller, and pass it on to a PLC or datalogger. LP1SI eliminates earth and ground loop problems and simplifies interfacing. |
|
| |
| SPECIFICATIONS All specifications at ambient of 25 °C, unless specified otherwise. |
| |
| INPUT |
|
| Input current |
4~20 mA DC |
| Voltage drop across |
<3.7 V DC with zero ohms load |
| input terminals |
on output |
| Reverse polarity |
Provided for current inputs |
| Protection |
|
| Maximum input current |
50 mA |
| Over current protection |
100 mA fuse on PCB |
| OUTPUT |
|
| Nominal current transfer |
1:1 in the range of 4~20 mA |
| ration |
|
| Permissible load |
25~425 ohms |
| resistance |
|
| Load trim |
20-turn front panel potentiometer to trim output current for specified accuracy |
| ACCURACY |
|
| Linearity & calibration |
±0.1% of span
(I out = I in ± 16 μA) |
|
| Temperature coefficient |
0.01% of span per °C |
| of accuracy |
|
| ISOLATION |
|
| Input / Output isolation |
a) 1.5 KV AC RMS, 1 minute
b) 250 V AC RMS, continuous
|
| ENCLOSURE |
|
| Material |
ABS plastic |
| Dimensions |
80(H) x 25(W) x 85(D) mm |
| Mounting |
snap on for 35 mm DIN rail to DIN 46277 |
| Connection, single / |
≤ 2.5 mm2, AWG 14 |
| stranded wires |
|
| Weight |
<200 grams |
| Protection |
IP 20 |
| TEMPERATURE, HUMIDITY |
|
| Ambient, storage |
-20 to + 85 °C |
| Ambient, operation |
-20 to +70 °C |
| Relative humidity |
0~95% |
| |
|
|
|
| |
|